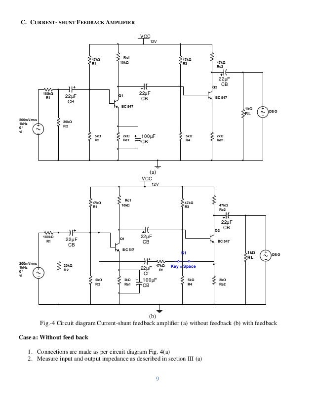
Voltage Series Feedback Amplifier Using Bjt Experiment
- Common Emitter Bjt Amplifier
- Two Stage Voltage Series Feedback Amplifier
- Voltage Series Feedback Amplifier Using Bjt Experiment Pdf
The Shunt-Shunt and Shunt-Series Feedback Amplifier. ○ Determining. Is a voltage that can be mixed with the source voltage in series. ❖ “Series” refers to. Dec 06, 2017 A BJT is a current amplifying device. To turn it into a voltage amplifying device you just put resistors in the right places so that voltages produce currents, and vice versa. The most common arrangement is the common-emitter configuration: (n.b. Experiment No.: Date of Conduction: TESTING OF A SERIES VOLTAGE FEEDBACK AMPLIFIER. Aim: Testing of a series voltage feedback amplifier to obtain frequency response with and with out feedback. Both of these are provided using the voltage-series feedback connection. Procedure: 1) Before wiring the circuit, check the entire component using.
How to Build a Voltage Amplifier Circuit with a TransistorIn this project, we will show how to build a voltage amplifier with a transistor.A voltage amplifier circuit is a circuit that amplifies the input voltage to a higher voltage. Components Needed. 2N3904 NPN transistor. 1KΩ resistor.
1.1KΩ resistor. 4.7KΩ resistor. 470Ω resistor.
17μF electrolytic capacitor. 10μF electrolytic capacitorThe transistor that is chosen can really be any BJT NPN transistor. For this circuit, we choose the 2N3904 transistor.For a lot of the values of the components we actually compute, you won't be able to find those precise values. For example, below we calculate one of the resistors tobe 565Ω. This resistor does not exist. So we approximate the resistor to 470Ω. This resistor value is close enough and is suitable fora replacement value.A 1.1KΩ resistor also you will not find.
So you can either approximate it down to 1KΩ or put a 1KΩ resistor in series with a 100Ω resistor. For all basic purposes, this is not necessary.You can simply connect a 1KΩ resistor instead of 1.1KΩ. It yields similar results.The same approximations should be used for the capacitor values. Find as close of a value to the calculated capacitor values as possible and use those.Transistor Voltage Amplifier CircuitThe voltage amplifier circuit that we will build with a BJT NPN transistor and a few resistors and capacitorsis shown below.
So this is our circuit. We will now get into the details of why the various components in the circuit are needed and how to choose the values for them.So the first thing is we decide how much voltage we're going to supply this circuit. This is the voltage,V CC, applied to the collector of the transistor. You can really choose any value from above V B, the base voltage, to the maximum value thatthe transistor can handle on the collector. This is typically 40-60V on most transistors. For our circuit, we will choose a reasonable voltage value of 12 for V CC.So this is the first consideration.Next, now knowing V CC, we bias the base voltage of the circuit, which we means we select the voltage that we want to fall across thebase of the transistor.
What value do we want across the base? To answer this, we look at the complete picture. The amount of AC voltagethat can be present at the output of the transistor is dependent on the DC voltage range that the circuit has. One on end of the spectrum,thetransistor can swing up to 12V, which is V CC. On the other end of the spectrum, the transistor can swing down to near ground, about 0.7V.
The reasonthe transistor cannot swing fully to ground is because the transistor will not turn on unless the diode is switched on and that happensat about 0.7V, the barrier voltage for the internal diode. Therefore, 0.7V is the floor of the circuit, and not ground or 0V. Therefore, with a power supply of 12V and a ground 0.7V,the transistor can swing from 0.7V up to 12V.
Why this matters in regards to the voltage that we supply to the base is that whatever voltagecomes into the circuit has a floor of 0.7V and a ceiling of 12V. Therefore, we want to bias the base voltage so that it falls in betweenthese values.
This gives a maximum peak-to-peak excursion for the signal and gives it the most room to operatewithout clipping. If the base voltage is biased incorrectly or well off the midway, the transistor can have significant clippingthat produces poor output. For a 12V ceiling and 0.7V floor, the middle value would be (12 - 0.7V)/2 +0.7V= 6.35V. We have to take the diode voltagedrop into consideration because the value at the base is 0.7V higher than at the output. By biasing the base voltage right in themiddle of the ceiling and floor, it allows for maximum swing of the AC signal, called maximum peak-to-peak excursion. When biasinga transistor circuit that deals with AC signals, the AC signal that will can appear at the output without clipping is equivalent to theDC biasing.
The AC signal will only be able to swing as far as the DC voltage biasing allows it. If the power supply is 20V and thefloor is 0.7V, the transistor can swing from a peak value of 20V to a floor of 0.7V. Positioning the transistor at the midpoint ofthose voltages allows for the maximum swing of the AC signal from the ceiling to the floor.
This is the optimum DC operating point for the circuit, called the Q-point or quiescent point.If you selecta DC value too low, you will cause the signal to clip earlier at the bottom of the waveform. If you choose a DC operating voltage too high, you will cause the singal to clip at the top of the waveform.So based on this point, we want the voltage at the base to be midway between 12V, the supply voltage, and 0.7V, whichrepresents thefloor. So that the V B= 0.7V + (12V-0.7V)/2, which is 6.35V. So in order to get this voltage, we have to choose our resistors that allows for this voltage to appearat the base.The voltage at the base is biased through 2 resistors.
The resistors form a voltage divider and divide the supplyvoltage. We can divide our supply voltage into any voltage less than the power supply by choosing the correct value resistors.The base voltage, V B= V CC.
(R 2/R 1+R 2). In order to solvethis equation, we choose the value of one resistor and then based on that resistor value compute the value of the other resistorbased on this formula. So for the R 2 resistor, a value of 1KΩ is chosen, as a reference point for the other resistor. Plugging these values into the formula, we getV B= V CC. (R 2/R 1+R 2)= 6.35V (12V) (1KΩ). Doing the math, this computes to a value ofR 1= 1.1KΩ. So in order to get a value of 6.35V at the base, the values of the resistors are R 1 equal to1.1KΩ and R 2=1KΩ.Next, we have to decide the value of the R E resistor.
The value that we choose is integral so thatwe do not overheat and possibly destroy the transistor. How we choose R E is based on the value of the current, IE that we want following through the transistor and what is a safe current to flow through the transistor. So we'll just a choose a range that is asafe current that can flow through the transistor that won't burn it out.
A safe current is 10mA. That is a decent amount of currentand one that will not burn out the transistor. So the emitter resistor, R E= V E/I E,where V E is the voltage across the emitter and I E is the current flowing through the emitter. V E=V B-0.7V = 5.65V.
The only difference in voltage between the base voltage and emitter voltage is the diode voltage drop betweenthe 2 junctions.Because the transistor has a diode in it from the base to the emitter, the transistor has an internal voltage drop. Therefore, theemitter voltage is equal to the base voltage minus the voltage drop across the diode.So the formula, R E= V E/I E= 5.65V/10mA= 565Ω. So we will choose anR E value of about470Ω would suffice well for this circuit, since this resistor is readily available.
Across this R E resistor, we can place an optional100µF capacitor in parallel to the resistor. This acts a generic filter so that any noise on the DC line is filtered out and to ground.Now we can choose the value of the resistor at the collector, R C. The gain of the circuit is determinedby the equation, A V≈ -R C/R E. So we will design our circuit so that we have a gain of 10.This means if we input 1V into the input, we will get 10V as output. So in order to get a gain of 10, R C has to be10 times larger than R E.

Since R E= 470Ω, R C must be 4.7KΩ (10. 470Ω).So we have designed the circuit to have a gain of 10.An important point to note is that if we removed the R E resistor and simply connected the emitter of thetransistor to ground, the gain would be higher, because the R E resistance would be lower.
However, we include it in ourcircuit because it provides stability. When we have the resistor at the emitter, the voltage gain depends almost exclusively on theratio of the collector and emitter resistor, R C/R E. This offsets the intrinsic properties of a transistor,such as the bias current and temperature instability. So the resistance dominates over these intrinsic properties to provides stability.Therefore, it eliminates a lot of unpredictability that can result. So even though it reduces the gain, the stability is improved, soit's worth the compromise. So when making a voltage amplifier with a transistor, a pretty small-valued resistor should be attached to theresistor for stability purposes.It's also important to note that the signal at the output is inverted. So it will be the same signal as the outputbut upside down.You can see based on the calculations that the circuit has a high input impedance and a high output impedance.As we calculated, the output impedance is βR E, which we calculated to be 56KΩ.

The input impedance isapproximately equal to R C. Therefore, the output imepdance is approximately 4.7KΩ, which is relatively high. Therefore,this circuit will not function as a buffer. Even though it has a high input impedance like a buffer, it has a high output impedance,which will not produce a buffering effect. An op amp buffer or a transistor buffer typically will have an output of just a few ohms,such as5Ω or less. The circuit we built has an output impedance of nearly 5KΩ. Therefore, unlike a buffer, it won't be able to power on a low-impedancedevice.
Common Emitter Bjt Amplifier
This is because the output resistance (or impedance) forms a voltage divider with the load that you attach to the output.Voltage divides. The device that you connect competes with the output resistance.
Two Stage Voltage Series Feedback Amplifier
The device with the greater impedance gets the bulk ofthe output voltage. This is why you want the output impedance of the transistor circuit to be low and the impedance of the output loadyou connect to be much higher. So that voltage falls across the output device, enough to power it on.Therefore, with this circuit, as is, it won't be enough to power on a device due to the high output impedance. Therefore,we must connect either connect a buffer to the output of this transistor voltage amplifier circuit or connect an emitter follower to theoutput, which acts as a buffer. This will then allow an output device to be powered on.
You cannot attach an output device directlyto the circuit as is, without adding a buffer to the circuit. Now lastly we have to choose the value of the capacitors in this circuit. Both capacitors have the same function.
They allowonly the AC signal to pass through and block the DC from passing through. So they function as coupling capacitors.We'll first show how to calculate the value of the capacitor at the input.In order to correctly choose an appropriate value of the capacitor, we have to take many things into account, which we willnow discuss.One, we have to decide the cutoff frequency of the circuit. This is the frequency that we want filtered out. If you're dealingwith sound signals, the frequency range that is audible to humans is 20Hz to 20,000Hz. If you're building our transistor so that we onlywant audible signals passed through, 20Hz is a good cutoff frequency to choose.
This means that any frequency at that range or lowerwill be filtered out to ground. So we will choose 20Hz as our cutoff frequency. If we take 20Hz and apply it to angular frequency,ω=2πf, we get ω=2πf≈125s -1. This is one part of the equation.The next thing we must consider is the value of the resistance that the capacitor sees. The first part of this circuitfrom the capacitor and the resistor that it sees down to ground forms a high-pass filter, an RC high-pass filter.
An RC high-passfilter is a circuit composed of a capacitor with a resistor connected to ground.If you visualizedcurrent flowing into the circuit, current can go either 1 of 3 ways. Current can go through the capacitor and through the R 2resistor and down to ground. Current can go through the capacitor and through the R 1 resistor. Or current can flowthrough thetransistor and flow through the R E resistor down to ground. It may seem strange that current can flow through theR 1 resistor but AC signals see DC voltage levels as ground as well. So even though it's at the DC level of 12V (through R 1), to AC signals,it can also be a ground; this is why this can be a path down to ground as well.So these are the 3 ways that current can flow in the circuit.
EVen though current can take those paths, it's ultimatelywhat a capacitor sees that determines the real resistance that it encounters. So we'll talk about this now. Resistors R 1and R 2 are in parallel. Therefore, the capacitor sees the equivalent resistance of these 2 parallel resistors. So thecapacitor sees the 1KΩ in parallel with the 1.1KΩ resistor.
The equivalent resistance of these resistors is roughly 500Ω. So this theresistance that the capacitors sees at one pathway. The other pathway is when the current goes through the transistor and throughresistor R E. This resistance will be βR E. With β equal to about 100, doing this math, this resistance computes to56KΩ.Remember that current always takes the path of least resistance. So between the options of 500Ω or 56KΩ, current will obviouslytake the 500Ω pathway.
Voltage Series Feedback Amplifier Using Bjt Experiment Pdf
So 500Ω is the equivalent resistance that the RC high-pass filter network sees and we know that we want a cutoff frequencyof 20Hz. And calculating the angular frequency for 20Hz gives us, ω=2πf≈125s -1.So going to the equation, R EQC 1= 1/125s -1= (470Ω)C 1= 0.008s.
Doingthe math, this computes into a C 1 value of 17µF. So the first capacitor is 17µF.Now we move onto the second capacitor. And it's chosen similarly to the first capacitor.We want the second capacitor to react similarly to the first, in regard to the frequency that we're dealing with. This isbecause the same frequency signal that is input is output.
So you want to match the frequency response for both capacitors to thesame frequency. So for the output capacitor, we also calculate it according to its 20Hz frequency response. Computing the angular frequency,we again get, ω=2πf≈125s -1.We use the same formula again, R EQC 2= 1/125s -1.What is R EQ in this case? R EQ is the resistance that the output capacitor sees.The dominant output resistance that exists is resistor R C, which is 4.7KΩ.
So the output resistance is basically this value.So plugging these values into the equation, R EQC 2= 1/125s -1=(4.7KΩ)C 2= 0.008s. Solving for C 2, we get 1.7µF. So this is the value of the output capacitor.We could round this down to 1µF or up to 10µF. It's not that precise.
We will round it up in this case because10µF gives the capacitor more room to operate.And now we've solved for all the values of the components in the circuit.So if we input a 1V signal into the input, we get a 10V signal as output.The output voltage has a ceiling of 12V, so the maximum signal we can get at the output is right under 12V ceiling.This is because you have to minus the voltage drop. So really the peak voltage output can be up to 11.3V (12V-0.7V) because 0.7V is the floor, not 0V. If you the voltage above this pointexceeds the near 12V mark, there will be clipping of the voltage signal, which produces distortion. Therefore, you have to know the maximum voltage range that is allowed based on the biasing for thecircuit so that you don't get clipping and distortion at the output.Related Resources.

.What is BJT? Are widely used an amplifier, oscillator, switch etc. It is a current-driven device ( is voltage driven), the output current is equal to the input current times a factor which is called Gain. A basic BJT has three pins: the Base, Collector, and Emitter.The output characteristic curve is useful as it shows the variations in collector current, Ic for a given base current, Ib over a range of collector-emitter voltage, Vce. This gives us the modes of the BJT under different conditions. There are three modes in BJT – Forward-Active (Amplification), Saturation, and Cut-off.Saturation: high current conduction from the emitter to the collector.
This mode corresponds to a closed switch. This could be also used for resistors simulation in small circuits.Cut-off: the biasing conditions is the opposite of saturation (both junctions reverse biased) which corresponds to an open switch. The cut-off and saturation can be used together to form a digital (1 or 0) type of circuit for computers.Forward-active: This is the linear region of the curves (shown as amplification mode in the diagram). The collector-emitter current is approximately proportional to the base current, but many times larger, for small base current variations.
BJT amplifiers uses the Forward-active characteristics.You might wonder whether you should use BJT or MOSFET, check out the. How to use BJT? As a switchCurrent-limiting resistors are usually used between the Arduino (or other micro controllers) and BJT to prevent damage and over heating from large current. Protection diodes are also sometimes used in case of Back-EMF from an inductive load.For NPN BJT, the emitter is always connected to either the negative voltage supply (i.e. GND) and the collector is always connected to the load. The base is used to activate the switch.As an amplifierWhen used as an amplifier, the biasing is arranged so that the transistor operates in the linear region ( shown above as almost horizontal sections). An amplifier will usually be biased to about half the supply voltage to allow for maximum output swing.
Type of BJTThere are two types of BJT transistors PNP and NPN based on the types of the three main terminal silicon layers. PNP: usually used as a high-side switch where the emitter of a PNP transistor connects to the voltage supply, the collector connects to the load. To turn this transistor off, we can connect the base to the emitter. Turning this transistor on is a little confusing because a negative current or a 0v (GND) signal needs to be applied to the base. NPN: usually used as a low-side switch, the emitter of an NPN transistor connects to the GND, the collector connects to the load.
To turn this transistor off, the base must connect to the emitter (GND). This transistor is turned on by applying a positive current to the base.2n2222a NPN transistor is a simple low-side amplifier switch. It can be fully switched on with only a few milliamps of current and it can switch nearly 1 ampere.2n2907a is the PNP, and it can be used as a simple high-side switch. How does BJT work in theory?A BJT is formed of a three-layer sandwich of doped semiconductor materials, either PNP or NPN. Each layer has a specific name, i.e.
Collector, emitter and base.The proper biasing of the junctions when operating is the functional difference between a PNP transistor and an NPN transistor. For any given state of operation the current directions and voltage polarities for each kind of transistor are opposite.Bipolar junctions transistors is current controlled which means a smaller current at the base controls the main current at the collector and emitter. For PNP transistors the main current goes from collector to emitter and the small controlling current goes from emitter to base, while for NPN transistors the main current goes from emitter to collector and the controlling current goes from base to emitter.For example in an NPN transistor, when positive bias is applied to the base, the equilibrium is disturbed between the thermally generated carriers and the repelling electric field of the n-doped emitter depletion region. This allows thermally excited electrons to inject from the emitter into the base.These electrons diffuse through the base from the high concentration region near the emitter towards the low concentration region near the collector.
The electrons is minority carriers and holes the majority carrier in the base, because the base is P-doped. WangenheimQote: “Bipolar junctions transistors is current controlled which means a smaller current at the base controls the main current at the collector and emitter”Funny observation:A voltage of VBE=0.7V is always needed to “open” the transistor – but at the same time it is statet that the BJT would be current-controlled. This is simply false; or do you think that – as an example – 3 charged carriers from the base current are able to set free (control) 300 charged carriers forming the emitter current (assumption: beta=333).I am always surprised that such false “explanations” can be found in many documents.Is it perhaps because the equation Ic=beta.Ib looks so nice and simple?So – should we completely forget Shockley`s famous equation describing the voltage-current relationship at the pn junction?